|
|
|

|
|
1. KSE120 ½Ã¸®Áî 1´Ü °¨¼Ó±â ¿ÜÇüµµ. |
|

|
|
KSE120 ½Ã¸®Áî ¿ÜÇüµµ ¹× Ä«´Ù·Î±×(KSE120-(°¨¼ÓºñÀ²)-P1
|
|
°¨¼Ó±â¸ðµ¨¸í: KSE120-003-P1, KSE120-004-P1, KSE120-005-P1, KSE120-006-P1, KSE120-007-P1, KSE120-008-P1, KSE120-009-P1, KSE120-010-P1
|
|
1. PDF
|
2. DWG(2D)
|
3. STP(3D)
|
4. KSE Ä«´Ù·Î±×
|
|

|

|

|

|
|
¼º¸¸ðÅÍ
|
SERVO MOTOR MODEL¸í(¹Ì¾²ºñ½Ã Á¦Ç°)
|
|
MR-J4 ½Ã¸®Áî
|
HG-SR52, HG-SR52B,
HG-SR102, HG-SR102B, HG-SR152, HG-SR152B
|
|
MR-J3 ½Ã¸®Áî
|
HF-SP52, HF-SP52B, HF-SP102, HF-SP102B, HF-SP152, HF-SP152B
|
|
MR-J2S ½Ã¸®Áî
|
HC-SFS52, HC-SFS52B, HC-SFS102, HC-SFS102B, HC-SFS152, HC-SFS152B
|
|
|
KSE ½Ã¸®Áî 1´Ü °¨¼Ó±â SPEC. |
|

|
|

|
2. KSE120 ½Ã¸®Áî 2´Ü °¨¼Ó±â ¿ÜÇüµµ. |
 |
|
KSE120 ½Ã¸®Áî ¿ÜÇüµµ ¹× Ä«´Ù·Î±×(KSE120-(°¨¼ÓºñÀ²)-P1
|
|
°¨¼Ó±â¸ðµ¨¸í: KSE120-015-P1, KSE120-020-P1, KSE120-025-P1, KSE120-030-P1, KSE120-035-P1, KSE120-040-P1, KSE120-050-P1,
KSE120-060-P1, KSE120-070-P1, KSE120-080-P1, KSE120-090-P1, KSE120-100-P1
|
|
1. PDF
|
2. DWG(2D)
|
3. STP(3D)
|
4. KSE Ä«´Ù·Î±×
|
|

|

|

|

|
|
¼º¸¸ðÅÍ
|
SERVO MOTOR MODEL¸í(¹Ì¾²ºñ½Ã Á¦Ç°)
|
|
MR-J4 ½Ã¸®Áî
|
HG-KR73, HG-KR73B, HG-MR73, HG-MR73B, HG-SR52, HG-SR52B,
HG-SR102, HG-SR102B, HG-SR152, HG-SR152B
|
|
MR-J3 ½Ã¸®Áî
|
HF-KP73, HF-KP73B, HF-MP73, HF-MP73B, HF-SP52, HF-SP52B, HF-SP102, HF-SP102B, HF-SP152, HF-SP152B
|
|
MR-J2S ½Ã¸®Áî
|
HC-KFS73, HC-KFS73B, HC-MFS73, HC-MFS73B, HC-SFS52, HC-SFS52B, HC-SFS102, HC-SFS102B, HC-SFS152, HC-SFS152B
|
|
|
KSE ½Ã¸®Áî 2´Ü °¨¼Ó±â SPEC. |
 |
|

|
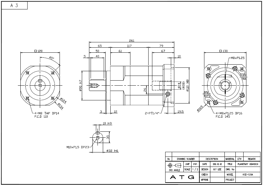
3. KSE120A ½Ã¸®Áî 2´Ü °¨¼Ó±â ¿ÜÇüµµ. |
 |
|
PGX120S-H ½Ã¸®Áî ¿ÜÇüµµ ¹× Ä«´Ù·Î±×(KSE120A-(°¨¼ÓºñÀ²)-P1
|
|
°¨¼Ó±â¸ðµ¨¸í: KSE120A-015-P1, KSE120A-020-P1, KSE120A-025-P1, KSE120A-030-P1, KSE120A-035-P1, KSE120A-040-P1, KSE120A-050-P1,
KSE120A-060-P1, KSE120A-070-P1, KSE120A-080-P1, KSE120A-090-P1, KSE120A-100-P
|
|
1. PDF
|
2. DWG(2D)
|
3. STP(3D)
|
4. KSE Ä«´Ù·Î±×
|
|

|

|

|

|
|
¼º¸¸ðÅÍ
|
SERVO MOTOR MODEL¸í(¹Ì¾²ºñ½Ã Á¦Ç°)
|
|
MR-J4 ½Ã¸®Áî
|
HG-SR52, HG-SR52B,
HG-SR102, HG-SR102B, HG-SR152, HG-SR152B
|
|
MR-J3 ½Ã¸®Áî
|
HF-SP52, HF-SP52B, HF-SP102, HF-SP102B, HF-SP152, HF-SP152B
|
|
MR-J2S ½Ã¸®Áî
|
HC-SFS52, HC-SFS52B, HC-SFS102, HC-SFS102B, HC-SFS152, HC-SFS152B
|
|
|
KSE ½Ã¸®Áî 2´Ü °¨¼Ó±â SPEC. |
 |
|

|
|
|